Accueil Casimages

Nouveau sur Casimages : le stockage de vos vidéos, musiques et fichiers jusqu'à 2Go !


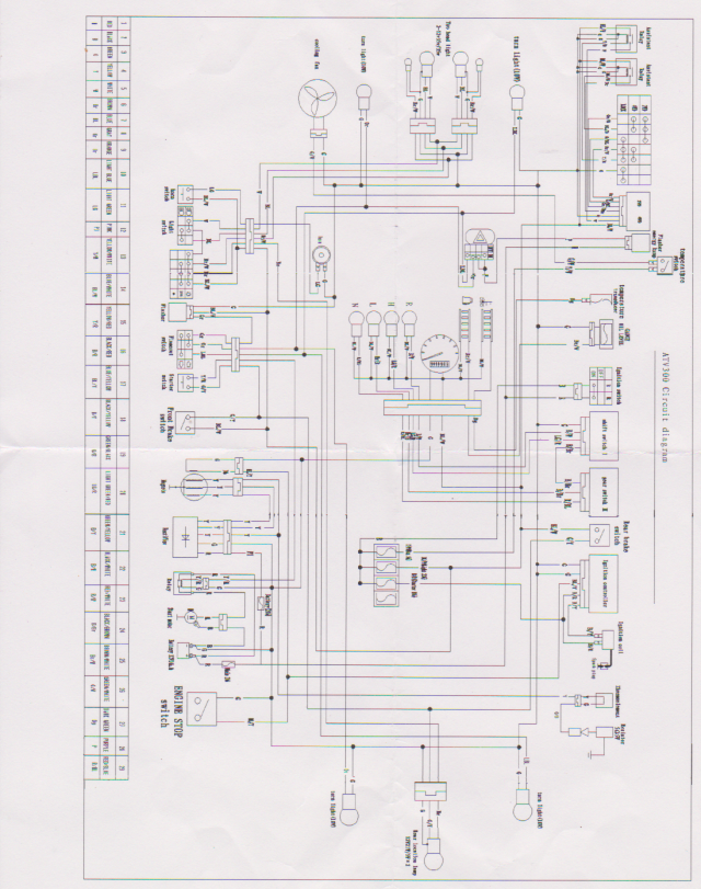
schema electrique keeway

Nom de l'image : schema electrique keeway
Nombre consultations : 973