Accueil Casimages

Nouveau sur Casimages : le stockage de vos vidéos, musiques et fichiers jusqu'à 2Go !


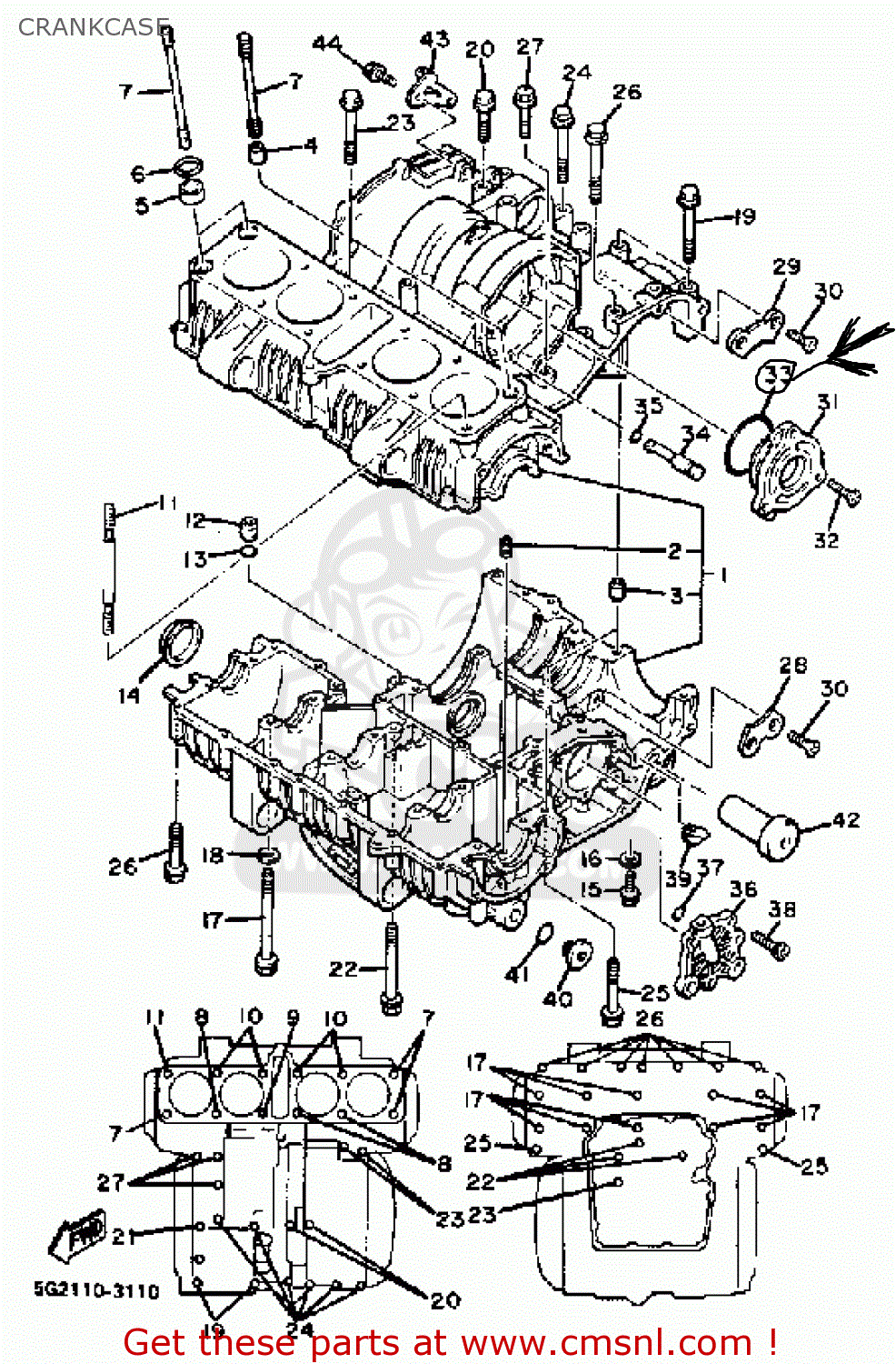
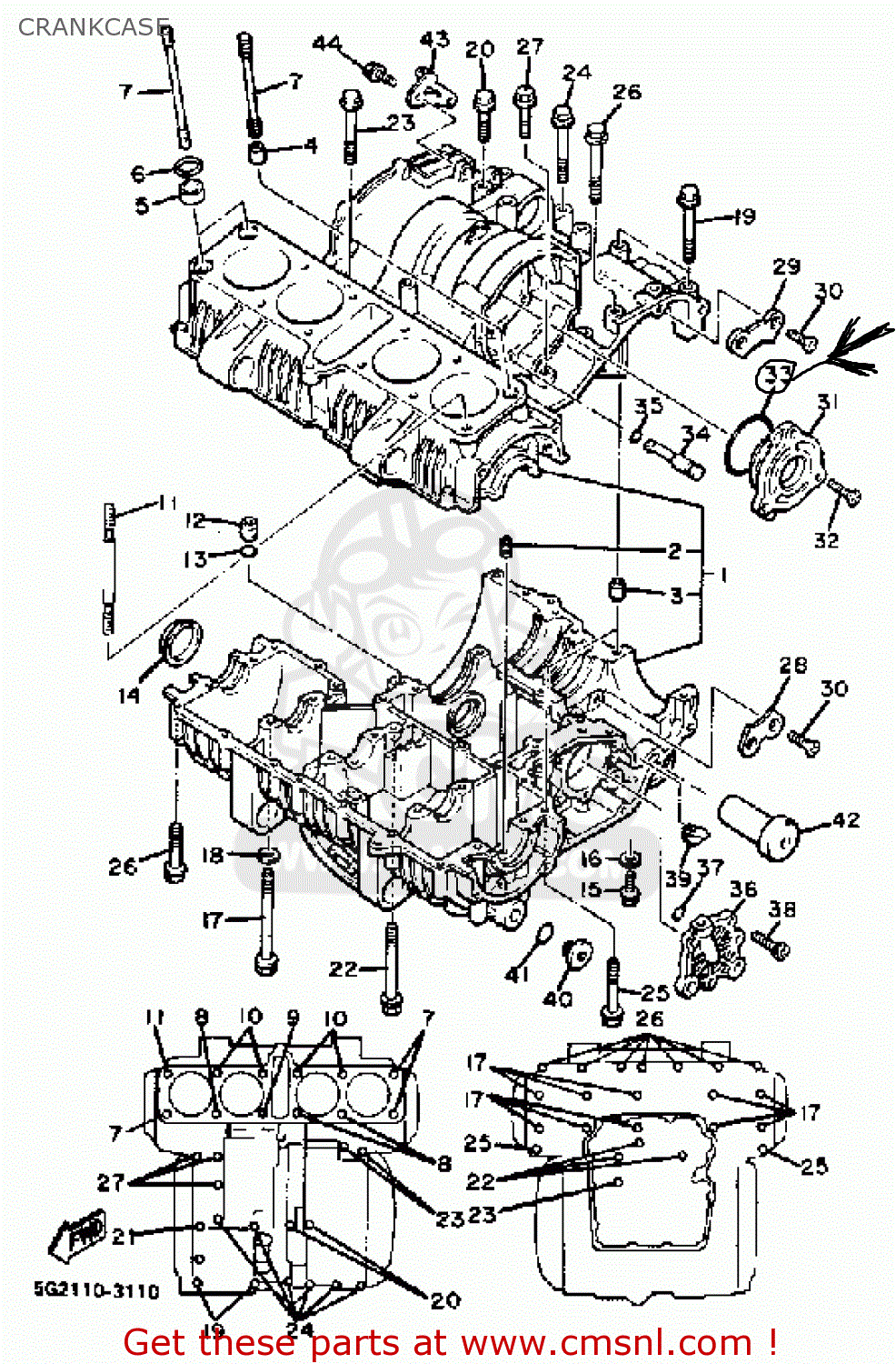
yamaha-xj750r-seca-1983-d-usa-crankcase_bigyau0791b-7_7457

Nom de l'image : yamaha-xj750r-seca-1983-d-usa-crankcase_bigyau0791b-7_7457
Nombre consultations : 172